V pri načrtovanju tiskanega vezja največkrat obstaja določen nivo prožnosti glede načina, kako so LED povezane. Dve pogosti metodi uporabe LED sta preko zunanjega vira napetosti, ki ustvari potreben tok, da LED sveti, drugi način pa je s pomočjo kapacitivnega senzorja, ki jo napaja s potrebnim tokom. V nekaterih primerih LED aktiviramo s pritiskom na gumb, medtem ko so LED v drugih primerih pod nadzorom gostitelja.
Kapacitivni senzor CAP1114 RightTouch iz Microchip Technology zmore krmiliti LED diode v vseh naštetih načinih delovanja.
Smer in moč

LED priključki lahko delujejo kot odprt ponor (open drain) ali push-pull izhodi. Register tipa LED izhoda 71h nadzoruje vrsto izhodov za posamezne LED priključke, pri katerem vsak bit ustreza enemu izmed LED priključkov. Bit 0 na primer ustreza nastavitvi izhodnega tipa za priključek LED1, bit 1 ustreza nastavitvi izhodnega tipa LED2 in tako naprej. »0« zapisna na položaju določenega bita nastavi povezan priključek kot odprt ponor. Če je na položaj določenega bita nastavitve izhodnega tipa zapisana »1« je z njim povezan priključek nastavljen kot push-pull izhod. Privzeta vrednost v tem registru je 00h, kar nastavi delovanje izhodnih LED priključkov kot odprti ponor.
Priključki od devet do enajst so lahko le izhodni priključki, tako da nimajo smernega registra, ki bi bil povezan z njimi. Prav tako so lahko le tipa z odprtim ponorom, zato tudi nimajo registra za določanje tipa izhoda, ki bi bil povezan z njimi.
Polarnost

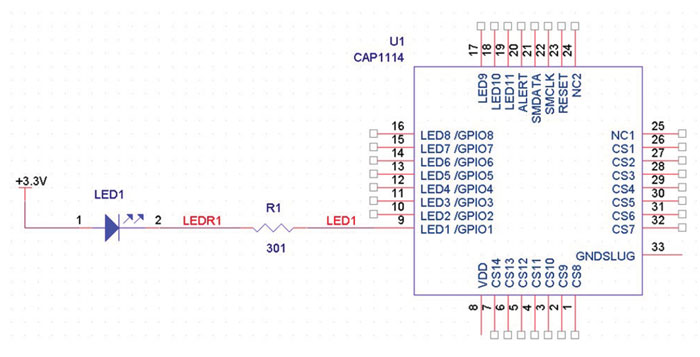
Ker pa je lahko LED vgrajena tudi v nasprotni konfiguraciji, ima CAP1114 tudi možnost določanja logične polarnosti, kot je razvidno iz primera na sliki 2, kjer je vir toka RightTouch integrirano vezje.
Možnosti konfiguracij za uporabo LED s kapacitivnim senzorjem
Microchip Technology Inc
2017_SE249_29

