DomovRevijaPredstavljamoRS232 in RS485 transiver združen v enem integriranem vezju

RS232 in RS485 transiver združen v enem integriranem vezju

Večprotokolni transiver združuje RS485 in RS232 v enem integriranem vezju, kar poenostavi in zmanjša dimenzije v aplikacijah, ki uporabljajo oba standarda. RS232 in RS4851 standarda vmesnikov za prenos podatkov se v današnjem času veliko uporabljata, kljub njuni relativno visoki starosti. RS232 standard je bil uveden pred skoraj 50 leti, RS485 pa pred 30 leti. Tako dolga življenjska doba za standard ni ravno pogost pojav v današnjem hitro spreminjajočem se svetu elektronike, kjer lahko povpraševanje potrošnikov izsili zastarelost v nekaj letih.

 

Slike niČeprav je nekoč povsod prisoten RS232 vmesnik na osebnih računalnikih v veliki meri nadomestil USB, RS232 še naprej vgrajujejo v aplikacije, ki zahtevajo robustno povezavo na krajših razdaljah, komunikacijo od točke do točke, kot so na primer senzorji, testna oprema in naprave za programiranje ter diagnostiko. Prav tako tudi RS485 uspeva zaradi svoje visoke robustnosti v težkih okoljih. Njegova diferencialni načina prenosa signala in široke tolerance v sofaznem načinu zagotavljajo odlično odpornost na motnje, kar omogoča visoke hitrosti prenosa podatkov na relativno dolge razdalje. Morda je pri RS485 standardu prav tako pomembno to, da lahko povežemo več naprav na eno vodilo, v omrežje, s čimer se močno zmanjša potrebno ožičenje. RS485 je določen kot fizični sloj za mnoga Fieldbus omrežja, vključno s PROFIBUS in INTERBUS. Za poenostavitev načrtovanja RS485 in RS232 sistemov večprotokolna transiverja LTC2870 in LTC2871 kombinirata obe vrsti transiverjev na enem integriranem vezju. Oba podpirata hitrosti prenosa podatkov tudi do 20Mbps za en RS485 transiver in 500Kbps za dva RS232 transiverja. Te naprave so namenjene podpori v različnih aplikacijah s funkcijami, ki jim dajejo prilagodljivost in robustnost:

  • delujeta v širokem razponu vhodne napetosti od 3 V do 5,5 V, prav tako pa logic supply priključek omogoča priključitev digitalnih signalov vse do 1,7 V in pri tem ni potrebno prilagajanje nivojev,
  • integrirani zaključni upori se samodejno vključijo za združljivost z RS232 ali RS485 delovanjem,
  • polni in polovični duplex nadzor, hkrati pa tudi povratne funkcije zagotavljajo nastavljivost sistema, in diagnostične zmogljivosti,
  • robustna zmogljivost omogoča neprekinjeno delovanje tudi v trenutkih ESD motenj do 26kV na priključkih vodila,
  • obe vezji sta na voljo v majhnih QFN in TSSOP ohišjih, kot je prikazano na sliki 1.

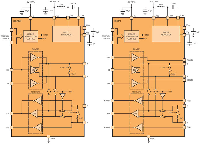
Slike niLTC2870 in LTC2871 se med sabo razlikujeta po tem, kako sta njuna transiver priključka dostopna od zunaj in kako sta krmiljena. LTC2870 ponuja dva RS232 transiverja, ki si delita vhodno-izhodni priključek z RS485 transiverjem. Deluje lahko v enem izmed načinov, bodisi RS232 ali RS485, ne pa v obeh hkrati. LTC2871 zagotavlja dodatno fleksibilnost, saj so priključki za RS485 in RS232 transiverje ločeni, tako da lahko delujejo vsi hkrati, kot je to prikazano v tabeli 1. Slika 2 prikazuje poenostavljeni blok shemi obeh vezij.

Aplikacije

LTC2870 in LTC2871 lahko nastavite na različne načine. Uporaba teh integriranih vezij se deli na tri glavne kategorije:

Določen vmesnik: 

LTC2870 ali LTC2871 sta lahko trajno nastavljena bodisi kot RS232 ali RS485 vmesnika. Slika 3 na primer prikazuje načine delovanja za LTC2870. Če sta na voljo dve različici izdelka, po ena z vsak vmesnik, večprotokolni transiver zmanjšuje razlike pri načrtovanju, zmanjšuje zaloge in poenostavi izdelek.

V primeru, ko se nastavitev spremeni glede na uporabljen priključek: 

Slike niV nekaterih primerih je potreben nek signalizacijski vmesnik za preklop med RS232 in RS485 med normalno uporabo izdelka. Na primer, vozlišče omrežja alarmnega sistema je povezano z drugimi vozlišči prek vodila z RS485 komunikacijo. Vendar pa se lahko vozlišče nastavi za lokalni RS232 dostop, ki omogoča programiranje in diagnostiko. Signalne priključke si delijo med RS485 in RS232 transiverji, s tem, da je v nekem trenutku aktiven le eden od njih, kot je prikazano na sliki 4. LTC2870 spreminja način delovanja med RS232 in RS485 preko nadzornega 485/232 priključka, ki ga lahko upravlja mikrokontroler, lahko ga upravljamo ročno s kratkostičniki ali s specifičnimi signali na priključnem kablu, ki povežejo priključek na VL ali na maso. LTC2871 se lahko uporablja na podoben način, vendar z neodvisnimi dostopom do vseh signalnih priključkov,

Sočasno delovanje:

V nekaterih primerih je potrebna sočasna RS485 in RS232 komunikacija. Na primer, v aplikacijah point-of-sale (prodajna točka), lahko blagajna komunicira s strežnikom preko RS485, istočasno pa lahko sprejema znake s tipkovnice po RS232. LTC2871 s popolnoma neodvisnimi RS232 in RS485 transiverji omogoča ločene terminale za vsak protokol z enim integriranim vezjem. Drug primer sočasne uporabe je prevajanje med RS232 in RS485 protokoloma. Slika 5 prikazuje LTC2871, ki je konfiguriran kot RS232 s 1200 m dolgim „podaljškom“, ki je izveden s pretvorbo v RS485 za prenos po dolgem kablu in ponovno pretvorbo nazaj v RS232 na drugem koncu.

Celotni članek

RS232 in RS485 transiver združen v enem integriranem vezju

2011_SE191_37

www.linear.com