Bi se želeli zabavati v dolgih zimskih večerih? Današnje šolske obveznosti ste že zdavnaj opravili, knjiga, ki ste jo brali, je sicer zanimiva, vendar ste ravno prebrali še zadnje poglavje, TV programi pa ne ponujajo ničesar zanimivega… Mladi elektronik bi se v takšnem primeru lotil svojega hobija, saj se je mogoče lepo zabavati celo s kupčkom uporov. Pri tem se nam bistri um in izboljšajo matematične veščine…

Seveda je nadomestno upornost mreže uporov najlažje določiti z meritvijo; slika 2 prikazuje, da bi morala biti upornost nadomestnega upora 4,16 kΩ. Bi ga lahko tudi izračunali? Odgovor je pritrdilen, vendar se moramo najprej naučiti postopka, kako mrežo uporov razčleniti na enostavnejše strukture – posamezne serijske in paralelne vezave uporov.
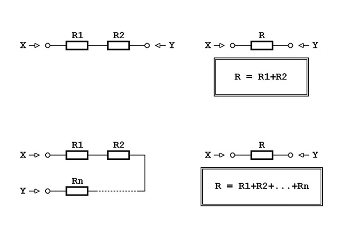
Osnovne formule

Upornost kombinacije serijsko vezanih uporov torej dobimo s seštevanjem posameznih vrednosti upornosti, glej formulo 1.
Igrajmo se z upori!

