
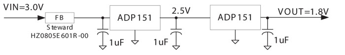
V tem primeru bomo opisali vezje napetostnega regulatorja, ki dosega zelo nizko raven izhodnega šuma, ima zelo nizek mirovni tok in veliko stopnjo dušenja motenj napajanja v širokem frekvenčnem območju. Vezje je kombinacija dveh regulatorjev z majhnim padcem napetosti (LDO), treh čip kondenzatorjev in majhnega feritnega jedra, s čimer lahko zagotovimo stopnjo dušenja motenj v napajanju (PSRR – power supply rejection ratio) več kot 60-dB v frekvenčnem območju od 10 Hz do 10 MHz.
ADP151 CMOS LDO regulator z ultra nizkim šumom ponuja visoko stopnjo PSRR, nizek mirovni tok in le 10 µV RMS lastnega šuma. Na grafu vidimo primerjavo PSRR enega ADP151, dveh kaskadno vezanih ADP151 in dveh kaskadno vezanih ADP151 s feritnim jedrom. Vse tri krivulje so nastale ob 1,2 V razlike med vhodno in izhodno napetostjo. S kaskadno vezavo dveh ADP151 se PSRR poveča za več kot 20 dB v območju od 100 Hz do 500 kHz. Nad 500 kHz je regulacijsko vezje LDO skoraj brez ojačenja, tako da se PSRR tu zmanjša. Z dodajanjem majhnega feritnega jedra v serijo s prvim LDO se poveča PSRR v območju nad 500 kHz za več kot 60 dB.
Ta regulator ima tipično mirovni tok 20 µA, 10 µV efektivnega izhodnega šuma in več kot 60 dB PSRR v frekvenčnem območju od 10 Hz do 10 MHz z le 1,2-V razlike med vhodno in izhodno napetostjo. PSRR pri nizkih frekvencah se lahko poveča še za 20 dB ali nekaj podobnega s povečanjem razlike med vhodno in izhodno napetostjo za 300 do 500 mV, vendar na račun manjše učinkovitosti.
Analog tips – Širokopasovno malošumno regulacijsko vezje zagotavlja vrhunsko dušenje (5)
