DomovRevijaElektronika za začetnike - Programiranje mikrokontrolerjev V (29)

Elektronika za začetnike – Programiranje mikrokontrolerjev V (29)

Slike niPrivlačna stran vezij z mikrokontrolerji je, da je program tisti, ki odloča o tem, kako se bo vezje obnašalo, kakšen bo odziv na posamezne zunanje dogodke in kakšna bo praktična vrednost izdelka, v katerega bo vgrajeno. Februarja je že bila prva priložnost, ko bi svoje prijatelje, partnerje ali zakonce lahko presenetili in se za Valentinovo izkazali s kakšnim privlačnim izdelkom, ki ga elektronika naredi še bolj privlačnega. Predlagam, da izdelamo majhno utripajoče srce, ki ga bomo lahko podarili samega ali ga priložili kot okras h kakšnemu drugemu darilu, s katerim bomo razveselili osebe, ki so nam najdražje. Včasih so si zaljubljenci ob posebnih priložnostih podarjali lectova srca, mi pa se bomo potrudili izdelati utripajoče LEDctovo srce!

Slike niSlike niDa bo okrasek čim bolj privlačen, bomo uporabili pulzno-širinsko modulacijo, s katero bomo pričarali iluzijo utripajočega srčka. Naloga ni najlažja, ni pa tako težka, da je ne bi mogli dokončati, kljub temu, da smo šele na začetku svoje programerske poti. Ko bo izdelek dokončan, bomo najbrž presenečeni ugotovili, da je program veliko bolj preprost, kot je bil videti na začetku in da je strah pred mikrokontrolerji in programiranjem odveč! Uporabili bomo vgrajeno periferijo – generator PWM signala, ki je eden izmed načinov delovanja časovnika T0.

Preizkus LED diod na prototipni ploščici

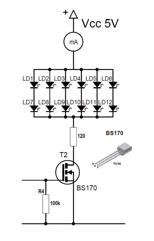
Slike niSlike niVidimo, da je na vezju kar precej LED diod (dvanajst), zato moramo najprej razmisliti, kako jih bomo prižigali, da bo naša »čarovnija« sploh delovala. Ko smo govorili o lastnostih LED diod smo povedali tudi to, da nastanejo na LED diodah različnih barv pri istem toku različni padci napetosti. Vzemimo sedaj »običajno« rdečo LED premera 3 mm. Odločil sem se namreč narediti vezje s 3 mm LED diodami, ker je vezje lahko manjše in bolj priročno, poleg tega pa iz posameznih majhnih »lučk« lažje oblikujemo kakršnokoli nepravilno obliko, saj je velikost ene »točke« manjša, z manjšo točko pa lahko bolj natančno prikažemo obris kakršnekoli oblike. No, da sem se prepričal, ali vzporedna vezava šestih nizov zaporedne vezave po dveh LED diod (ki jih imam trenutno na razpolago) dovolj sveti, sem vse to povezal na prototipni ploščici in za omejitev toka dodal še upor 120 Ohmov. Kot stikalo bomo uporabili BS170, ki je poceni MOSFET tranzistor »z nogicami« v dovolj majhnem ohišju za naše potrebe.

Slike niSlike niElektrična shema tega vezja je narisana na sliki 3. Krmilimo ga lahko z neposredno povezanima vhodnim krmilnim priključkom vrat (G) in izhodnim priključkom mikrokontrolerja. Najpomembnejša informacija, ki jo bomo dobili s tem poskusom je, kako močno svetijo LED diode pri največjem toku. Seveda bomo morali pri tako velikem številu LED diod izbirati med različnimi kompromisi. Po mojem občutku je bil tok 9 mA, ki je tekel skozi vseh šest vej LED diod čisto dovolj, lahko pa ga povečate tako, da upornost upora zmanjšate. Na vsaki LED diodi je v mojem vezju nastal padec napetosti 1,7 V, skupaj 3,7 V, ostala napetost pa je »ostala« na serijsko vezanem uporu. MOSFET tranzistor kot stikalo je najlažje najprej preizkusiti »ročno«. V ta namen smo vrata prek upora z veliko upornostjo (100 kOhmov) povezali na maso. S tem zagotovimo na vratih tudi pri nepriključenem vezju vedno nizek logični nivo, razen v primeru, ko ga krmilimo z mikrokontrolerjem, ki sam prevzame krmiljenje vrat. V teh primerih pa velja pravilo, da sta lahko na izhodnem priključku mikrokontrolerja v nekem trenutku le eno izmed mogočih logičnih stanj: HI ali LO in nekega vmesnega stanja ni!Slike ni

Celotni članek

Elektronika za začetnike – Programiranje mikrokontrolerjev V (29)

2012_SE195_44