Omron je predstavil nov, izjemno občutljiv senzor za brezkontaktno merje8nje temperature. Natančno merjenje temperature temelji na lastni MEMS tehnologiji.

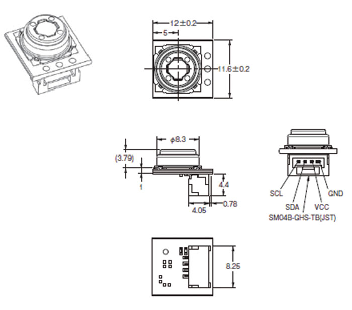
Novi Omron D6T-1A-02 je zelo občutljiv infrardeči (IR) temperaturni senzor, ki v celoti izkorišča uporabo zaščitene Omron MEMS tehnologije za zaznavanje. Ti senzorji lahko merijo temperaturo površine predmetov med – 40 do + 80 ° C v ciljnem območju z natančnostjo +/- 1,5 ° C in ločljivostjo 0,06 ° C. Senzor vsebuje najsodobnejši MEMS termoelektrični element, ASIC čip (Application Specific Integrated Circuit) in mikroprocesor za obdelavo signalov, vse to pa se nahaja v majhnem ohišju z dimenzijami le 12,0mm x 11,6mm x 9,2mm. D6T-1A-02 ima ozko vidno polje znotraj kvadrata 26,5 stopinj, kar omogoča, da zelo natančno ocenimo temperaturo površine določenega objekta znotraj tega področja. Med ostalimi funkcijami imamo tudi digitalni I2C izhod, ki ponuja odlično odpornost pred motnjami (merjeno kot motnji enakovredna temperaturna razlika) z 140mK.

Medtem, ko so standardni toplotni senzorji sposobni meriti temperaturo le v eni kontaktni točki, lahko D6T brezstično meri temperaturo celotnega opazovanega območja. Signali, ki jih ustvari infrardeče sevanje, so zelo šibki. Da bi dosegli zanesljivo odkrivanje je Omron sam razvil in tudi sam proizvaja vsak sestavni del novega termalnega senzorja visoke občutljivosti, od MEMS senzorjev ASIC čipov in ostalih elementov za specifične aplikacije.
Tehnologija, toplotnih senzorjev D6T Omron združuje z MEMS strukturo mikro ogledal za učinkovito zaznavanje IR sevanja z visoko zmogljivim silicijevim objektivom projicira infrardeče žarke na svoje temperaturno občutljive celice. ASIC namensko integrirano vezje nato izvede posebne patentirane algoritme, s katerimi opravi potrebne izračune in pretvorbo senzorskih signalov v digitalne na I2C izhodih. Vse komponente so razvite in v celoti izdelane v OMRON-ovih lastnih proizvodnih prostorih.
O Omronu
Podjetje Omron Electronic Components Europe spada med vodilne proizvajalce na področju elektromehanskih PCB relejev, prav tako pa tudi med vodilne dobavitelje sestavnih delov, kot so mikro stikala, MOSFET releji, DIP stikala, foto mikro senzorji in razni povezovalni priključki. Omron razpolaga s širokim naborom inovativnih tehnologij, vključno s senzorji tlaka, pretoka in temperature, ki temeljijo na MEMS tehnologiji, module za prepoznavanje človeških obrazov in gest ter senzorjev vibracij in nagiba.
Podjetje Omron Electronic Components Europe močno podpira svoje stranke v zahodni in vzhodni Evropi, Rusiji in CIS prek 8 regionalnih centrov, mreže lokalnih predstavništev in partnerstev s specialisti, lokalnimi, regionalnimi in globalnimi distributerji.
Omron Electronic Components Europe je hčerinsko podjetje korporacije Omron Corporation, ki je v svetu znano kot vodilno glede visoke kakovosti svojih izdelkov, uporabi najsodobnejših visokih tehnologij, proizvajalec električne in elektronske opreme za krmiljenje in diskretnih komponent.
Izjemno občutljiv senzor za brezkontaktno merjenje temperature
2017_SE254_9

