Predlog, kako se lotiti načrtovanja poceni krmilnika in analiza uporabe enofaznih izmeničnih indukcijskih motorjev skupaj z 8-bitnimi mikrokontrolerji v aplikaciji z garažnimi vrati.

Te enofazne motorje pogosto imenujejo dvofazni motorji, ker jih ni mogoče zagnati brez zadostnega faznega zamika med obema navitjema. Kondenzator se namesti med vhodnim napajanjem in navitjem, s čimer pride do faznega zamika okrog 90˚. Stikalo se pogosto izvede v obliki releja, s katerim nadzorujemo smer vrtenja tako, da zamenjamo vrstni red ene faze, da prehiteva oziroma zaostaja za drugo. Vrednost kondenzatorja običajno določi proizvajalec motorja in je za motorje tega tipa, ki jih bomo obravnavali tukaj in manjšo močjo od 0,75kW največkrat v območju od 5 do 50μF. Kondenzator je treba skrbno izbrati, da se popravi faktor moči za največjo energijsko učinkovitost. Slika 1 prikazuje topologijo tradicionalnega AC indukcijskega motorja.

V praksi ima kondenzator upornost in oddaja toploto, ki jo porabi zaradi RMS izmeničnega toka prek svoje nadomestne serijske notranje upornosti. Slabost stalno priključenega kondenzatorja je majhen zagonski moment takšnega motorja in nihanje navora med obratovanjem pri različnih hitrostih vrtenja. Zaradi visoke VA stopnje kondenzatorja, se ta največkrat izbere tako, da so izpolnjene minimalne zahteve glede zagonskih zahtev, kar pa prinaša slab izkoristek med trajnim obratovanjem.
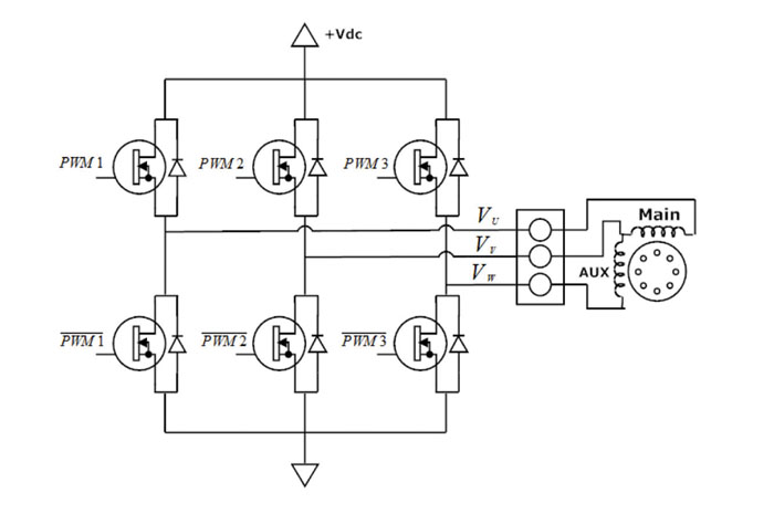
Pri motorjih, ki nimajo enakih navitij, je treba dve fazi napajati z različnimi napetostmi. Ta asimetrija nastane zaradi prisotnosti kondenzatorja, ki z induktivnostjo navitja motorja tvori resonančno vezje. Kot posledica tega napetost na enem od navitij naraste in povzroča neenakomerno porazdeljen električni tok. Vendar pa se kot zamenjava za stalno priključen kondenzator lahko uporabi trifazni pretvornik (inverter), kot je prikazano na sliki 2. To omogoča nastavljanje hitrosti motorja z nastavitvijo ustrezno visoke napetosti na vsako navitje tako, da šibkejša navitja niso preobremenjena.
Motor se bo brez kondenzatorja vseeno vrtel, če navitja krmilimo s faznim zamikom med fazama. To je mogoče doseči z vzpostavitvijo treh faz v programski opremi. Te trifazne napetosti lahko potem primerjamo med seboj in s tem ustvarimo dve izračunani obliki napetosti za obe navitji motorja. Ena od treh faz je vzeta kot referenčna ali nevtralna, da bi oblikovali napajanje za drugi dve. Tri faze je mogoče ustvariti s programsko opremo in uporabo PWM tehnik.
Primerjava
Izvedejo se lahko trije testi za primerjavo zagona asinhronskega motorja z inverterjem brez zagonskega kondenzatorja. To so:
- navor, s katerim spremljamo učinke spreminjanja frekvence vožnje na motorju,
- pospešek in hitrost s katerima ocenimo, po kateri metodi se najhitreje obrne gred motorja in kako hitro lahko pospešimo pod obremenitvijo,
- in učinkovitost s primerjavo realne komponente izhodne moči z vhodno močjo ter z merjenje faktorja moči in druge neučinkovitosti.
Odpiranje vrat
Microchip Technology Inc
2015_SE231_26

