DomovRevijaPredstavljamoPoE+ in več: Omogočanje novih trgov za PoE

PoE+ in več: Omogočanje novih trgov za PoE

Novi izdelki, kot so paneli za avtomatizacijo v podjetjih in doma, prenosni računalniki in prenosniki z nizko porabo imajo porabo, ki je združljiva z napajalno zmogljivostjo PoE „AT“ standarda

 

Tržni trendi v PoE

Združevanje podatkov in napajanja na istem vodniku se zdita očitni izbiri za integracijo inteligentnih sistemov. Desetletja so uporabljali lastne standarde v avtomobilski, letalski industriji ter industrijskih aplikacijah. Pojav IEEE802.3 standarda je pomenil poceni protokol z visoko hitrostjo prenosa podatkov, ki omogoča nove koncepte. Prvotni „AF“ standard je dovoljeval do 13,4 W moči na porabniku , kar je pripomoglo k širjenju IP telefonov in drugih podobnih podatkovnih vozlišč v podjetniškem okolju. Te zgodnje generacije naprav so bile namenske in preproste po obliki in funkciji.

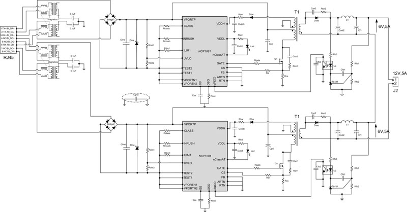
Slike niNovi izdelki, kot so paneli za avtomatizacijo v podjetjih in doma, prenosni računalniki in prenosniki z nizko porabo imajo porabo, ki je združljiva z napajalno zmogljivostjo PoE „AT“ standarda. To vsebinsko pomeni, da bi lahko imeli priklopno postajo v obliki enega samega RJ45 priključka. V primerih panelov za upravljanje avtomatizacije v domovih in podjetjih je prednost integracije PoE jasna, saj odpravlja potrebo po ločenih vodih za napajanje.

Svet brezžičnih povezav je za PoE segment z največjo rastjo. Brezžične dostopne točke (Wi-Fi, WiMax, itd) morajo biti nazadnje vendarle spet priključene na usmerjevalnik, stikalo, ali primarno omrežno povezavo. Dodatna napajalna zmogljivost, ki jo dovoljuje „AT“ standard PoE omogoča vključitev PoE napajanja v praktično vseh teh napravah, zaradi česar je namestitev ali servisiranje brezžičnih dostopnih točk izjemno preprosta, treba je dodati le en sam RJ45 priključek.

Slike niZadnji rastoči segment pri brezžičnih napravah pa je majhna dostopna točka za mobilne telefone. Te dostopne točke, ki se včasih imenujejo tudi femto ali piko celice, zagotavljajo mobilnim telefonom dostop tudi na ne-tradicionalnih območjih. Sprva so se uporabljale v velikih stavbah za zagotavljanje boljše pokritosti s signalom, močnejše različice tega koncepta pa so uporabili za zamenjavo velikih mobilnih baznih postaj v gosto naseljenih področjih. To bo močno poenostavilo namestitev teh celic in zagotavljalo rešitev za povezljivost, ki je fizično veliko bolj privlačna. Poraba energije mobilnih baznih postaj za majhna območja je precej visoka in presega tudi 25 W, kar pa še dovoljuje trenutni PoE standard.

Celotni članek

PoE+ in več: Omogočanje novih trgov za PoE

2011_SE191_14

www.onsemi.com