
Uporaba uravnoteženih vodov za prenos signala je enostavna rešitev, ki se pogosto spregleda, lahko pa znatno vpliva na zmanjšanje takšnih induciranih motenj, čeprav ima mikrofon neuravnotežen izhod.
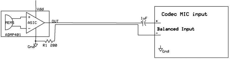
Kritična lastnost uravnoteženega voda je, da imata oba vodnika enaki impedanci v primerjavi z maso. Ta pogoj je mogoče ponoviti z uporabo referenčnega prevodnika, ki se zaključi z ustrezno impedanco. Če vzamemo za primer MEMS Mikrofon Analog Devices ADMP401, ima izhodno impedanco 200 Ohmov. Uravnoteženo pot signala lahko ustvarimo z dodajanjem 200 Ohmskega upora v točki, kjer je mikrofon priključen na referenčno maso in potem vodimo ta signal po uravnoteženem vodu vzporedno z osnovnim signalom (glej sliko 1). Čeprav ne ustvarja ravno idealnih pogojev za odlično uravnoteženo linijo zaradi tolerance vrednosti uporov in drugih dejavnikov, je bilo za to poceni vezje dokazano, da zmanjšuje nivo RFI motenj v aplikacijah, ki jih srečujemo v resničnem življenju.
Analog tips (9) – Povezovanje izhoda asimetričnega analognega MEMS mikrofona na diferencialni vhod
2011_SE190_29

