
V prejšnji številki revije smo se lotili izdelave analognega generatorja binauralnega nihanja. Logično nadaljevanje projekta je seveda izdelava digitalnega generatorja. Analogni generator sicer deluje čisto v redu.
Njegove pomanjkljivosti pa so:
-
Povečava potrebno je uglaševanje z osciloskopom, frekvencmetrom ali na ‘uho’,
- frekvenčna skala ni povsem točna,
- odvisnost frekvence od temperature je vprašljiva.
Te pomanjkljivosti naj bi odpravil digitalni generator. Odločil sem se za izdelavo z AVR mikrokontrolerjem, saj ima vgrajene timerje, ki omogočajo neposredno generiranje frekvence na izhodnih priključkih.
Za prikaz sem uporabil ‘klasični’ 2 x 16 LCD prikazovalnik, ker je pačnajbolj preprost za programiranje v Bascomu, druga prednost pa je v nizki porabi energije (seveda le, če ni prižgana osvetlitev displeja). Napravo sem se odločil vgraditi v isto ohišje kot prejšnjo verzijo, kar mi je povzročilo nekoliko težav zaradi omejenega prostora. No, pa si oglejmo shemo naprave, shema 1.
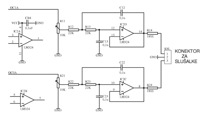
Uporabljen je mikrokontroler ATtiny2313, ki utripa v taktu 8MHz. Za oscilator je uporabljen kvarc kristal zaradi točne osnovne frekvence. čeprav morda točna osnovna frekvenca ni toliko pomembna, sem se odločil, da bo generator deloval na osnovni frekvenci 220 Hz, kar odgovarja tonu A po ‘dunajski uglasitvi’.
Izhoda iz mikrokontrolerja OC0A in OC1A sta pravokotne oblike TTL nivoja. Trimerja R11 in R21 služita nastavitvi izhodnih glasnosti posameznih kanalov na ravno pravšnji nivo. Kot sem že omenil v prvem članku, glasnost zvoka v slušalkah ne sme biti premočna. Bolje je manjša glasnost.
Celotni članek: 160_54-57
Binauralika – generator binauralnega nihanja (2)
2009_SE160_54

