STMicroelectronics
The STA516BE je monoliten ojačevalnik konfiguriran kot štiri polmostične stopnje v multipower BCD tehnologiji.
Ojačevalnik je mogoče uporabljati kot dvojni mostič ali ga prekonfigurirati s priključitvijo konektorja CONFIG na konektorje VDD, kot enojni mostič z zmogljivostjo dvojnega toka ali kot polovični mostič (binarni način) z zmogljivostjo polovičnega toka.
Stroškovno učinkovit avdio sistem z visoko vernostjo (HiFi) je mogoče zasnovati z uporabo ST čipov, vključno z modulatorjem (npr. STA309A ali STA321) in STA516BE. Ta sistem zahteva le preprost pasivni LC demodulacijski filter, da zagotovi visoko vernost, zelo učinkovito avdio ojačenje z dokazano skladnostjo z EMI. Učinkovitost tega digitalnega ojačevalnika je večja od 90 % na 8 Ω zvočnikih, kar omogoča uporabo manjših napajalnikov in hladilnikov.
STA516BE ima inovativen integriran sistem zaščite, ki ga ščiti pred različnimi napakami, ki bi ga lahko poškodovale.


Lastnosti
Izhodna moč pri napajalni napetosti 56 V:
2 x 250 W pri 10 % THD + N v 6 Ω BTL
2 x 200 W pri 10 % THD + N v 8 Ω BTL
4 x 130 W pri 10 % THD + N v 3 Ω SE
4 x 100 W pri 10 % THD + N v 4 Ω SE
1 x 480 W pri 10 % THD + N v 3 Ω PBTL
1 x 380 W pri 10 % THD + N v 2 Ω PBTL
Izhodna moč pri napajalni napetosti 52 V:
2 x 200 W pri 10 % THD + N v 6 Ω BTL
4 x 100 W pri 10 % THD + N v 3 Ω SE
1 x 400 W pri 10 % THD + N v 2 Ω PBTL
Ostale lastnosti:
< 0,1 % THD + N pri 1 W PSO-36 termično izboljšano ohišje Minimalno popačenje širine impulza na vhodu/izhodu Visoko učinkovita močnostna stopnja (> 90 %) z 190 mΩ RdsON
CMOS združljivi logični vhodi
Integrirani samodejni varovalni vezji, vključno z zaščito pred pregrevanjem, prenizko napetostjo, previsoko napetostjo, preobremenitvijo in kratkim stikom
Skladnost z EMI pri uporabi s priporočenim sistemskim dizajnom
Avtomatski način obnovitve po napakah


STA516BE je zelo zmogljiv integriran stereo digitalni ojačevalnik druge generacije z izboljšanim zaščitnim sistemom. Zmore poganjati 6 W mostično vezano breme (BTL) do 250 W na kanal z zelo nizko stopnjo šuma na izhodu, nizkim THD+N in nizko porabo energije v mirovanju. STA516BE je na voljo v ohišju PowerSO-36 s hladilnim pad-om na vrhu ohišja. Ohišje vsebuje hladilni pad, ki se nahaja na zgornji strani ohišja za zanesljivo toplotno povezavo s hladilnim telesom.
Najvišja napajalna napetost na priključkih 4, 7, 12 in 15 znaša 65 V, najvišja temperatura polprevodnika pa 150 °C.
Da bi zagotovili pravilno delovanje in zanesljivost, je treba upoštevati priporočeno zaporedje vklopa, kot je navedeno spodaj:
V tej fazi priključite VCC in VL v poljubnem vrstnem redu, pri čemer ohranite PWRDN na nizki ravni.
Povečajte PWRDN z nizke na visoko raven, pri čemer ohranite TRISTATE na nizki ravni (dokler VDD in VSS nista stabilna).
Povečajte TRISTATE z nizke na visoko raven. Vedno ohranjajte PWM vhod INxy < VL.



VCC je treba vklopiti pred VL. S tem se prepreči nekontroliran tok skozi notranjo zaščitno diodo, povezano med VL (logično napajanje) in VCC (visoko napajanje), kar bi lahko povzročilo poškodbo čipa.
PWRDN je treba sprostiti po vklopu VL. Nato je mogoče poslati vhodni signal v napajalni stopnji.
STA516BE pretvarja ternarne, fazno zamaknjene ali binarno krmiljene PWM signale v avdio močnostne signale na breme. Vključuje logični vmesnik, integrirane gonilnike mostiča, visoko učinkovite MOSFET izhode ter termično in kratkostično zaščitno vezje. V diferencialnem načinu (ternarni, fazni premik ali binarni diferencialni) se dva logična signala na kanal uporabljata za krmiljenje zelo hitrih MOSFET stikal za povezavo obremenitve zvočnika z vhodnim napajanjem ali ozemljitvijo v mostični konfiguraciji, v skladu z delovanjem dušenega ternarnega modulacijskega signala.
V binarnem načinu sta podprta tako polni most kot polovični most. STA516BE vključuje zaščito pred prenapetostjo in toplotno zaščito ter blokado podnapetosti z avtomatskim obnovitvijo. Na voljo je tudi toplotno opozorilo.
STA516BE vključuje zaščitno vezje za tokovne in toplotne preobremenitve. Toplotni opozorilni priključek (THWARN, priključek 28, MOSFET z odprtim virom) se aktivira, ko temperatura IC preseže 130 °C, tik pred toplotnim izklopom. Ko je zaznana napaka, notranji signal napake takoj onemogoči izhodne močnostne MOSFET-e in oba H-mostova postavi v stanje visoke impedance. Hkrati se vklopi odprti ponor MOSFET priključka FAULT (pin 27).
Po aktiviranju napake sta možna dva načina delovanja.
Način izklopa: če sta priključka FAULT (z uporom pull-up) in TRISTATE ločena, aktivirana napaka onemogoči delovanje čipa in signalizira nizko napetost na izhodu priključka FAULT.
Čip je mogoče ponovno nastaviti na normalno delovanje s preklopom priključka TRISTATE iz visoke na nizko napetost in nazaj na visoko napetost z uporabo zunanjega logičnega signala.
Način samodejnega obnovitve: To je prikazano v spodnjih aplikacijskih vezjih, kjer sta priključka FAULT in TRISTATE povezana s časovno konstantnim vezjem (R59 in C58).
Aktivirana napaka prisili ponastavitev priključka TRISTATE, kar povzroči obnovitev normalnega delovanja po zamiku, ki ga določa časovna konstanta vezja.
Če napaka ostane, se delovanje vezja ponovi, dokler napaka ni odpravljena.
Povečanje časovne konstante vezja povzroči daljši interval obnovitve. Pri celotni zasnovi sistema je treba paziti, da se v normalnem delovanju ne presežejo zaščitni pragi.
Izhodna moč
Izhodni in napajalni priključki STA516BE so podvojeni, da zagotavljajo nizko impedanco za izhodne tranzistorje vezane v mostič. Za pravilno delovanje morajo biti priključeni vsi podvojeni napajalni, ozemljitveni in izhodni priključki. Povezava PWRDN ali TRISTATE se uporablja za nastavitev vseh močnostnih MOSFET-ov v stanje visoke impedance med vklopom, dokler se logično napajanje VL ne stabilizira.
Vzporedna vezava izhoda / delovanje z visokim tokom
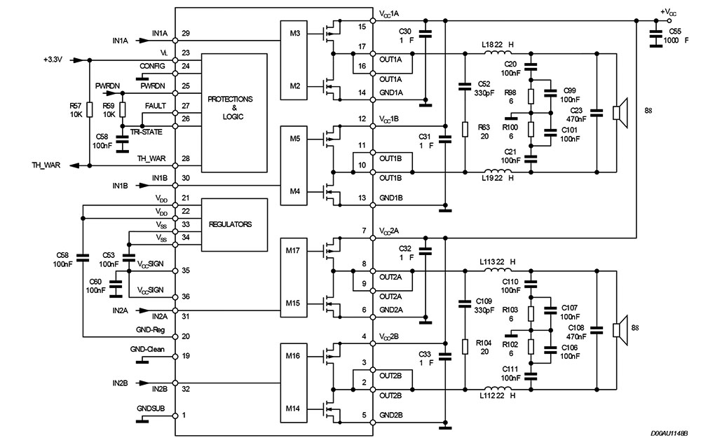
Pri uporabi izhoda v načinu FFX je mogoče izhode STA516BE povezati vzporedno, da se poveča zmogljivost izhodnega toka za breme. V tej konfiguraciji lahko STA516BE zagotovi do 240 W pri bremenu 3 Ω. Ta način delovanja se omogoči s priključitvijo priključka CONFIG (pin 24) na priključek VDD. Vhodi so združeni tako, da IN1A = IN1B, IN2A = IN2B in podobno izhodi OUT1A = OUT1B, OUT2A = OUT2B, kot je prikazano na sliki 8. Tipično vezje za avdio aplikacije (dvojni BTL).
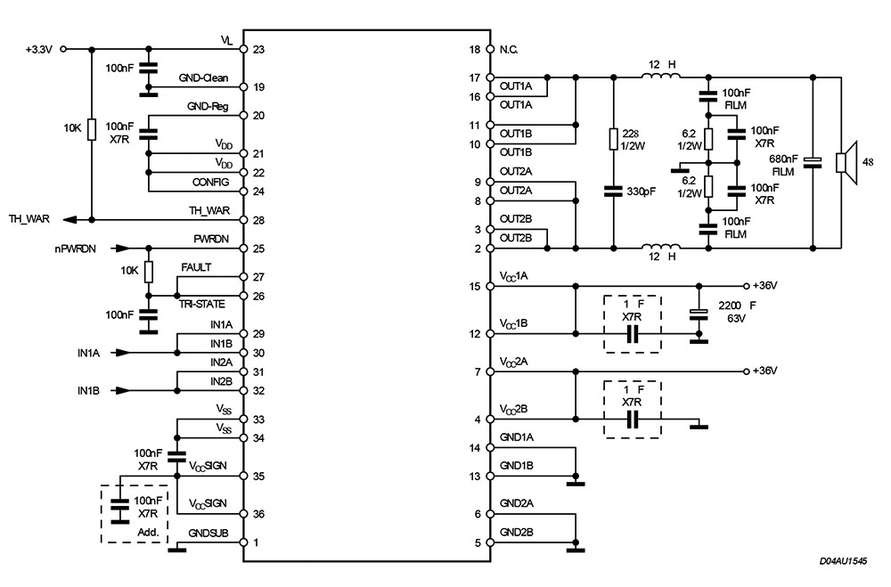
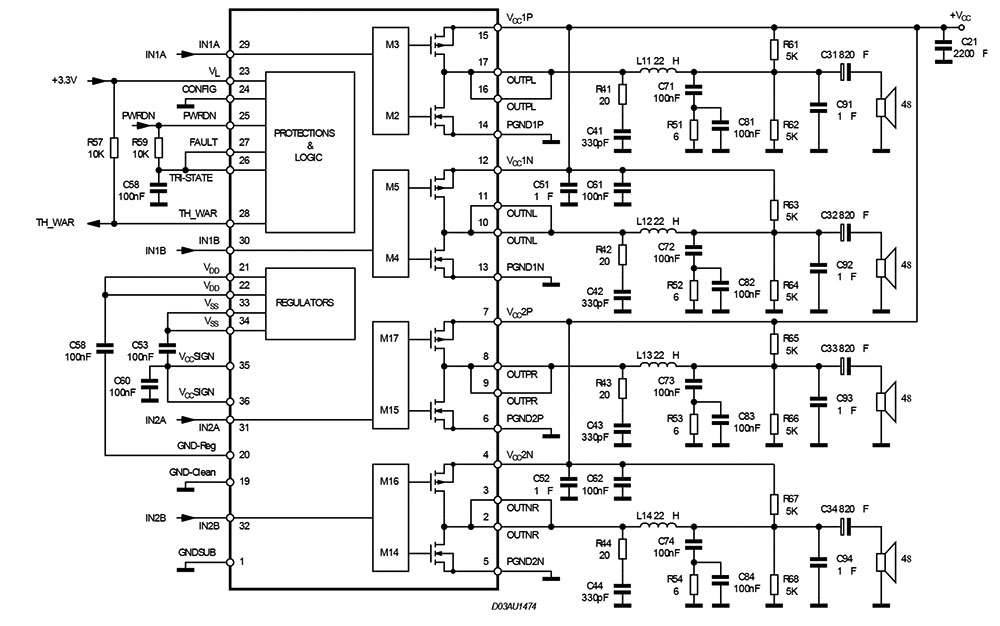
Na močnostnih izhodih STA516BE se uporablja pasivni filter drugega reda za rekonstrukcijo analognega avdio signala. Na zmogljivost sistema lahko znatno vpliva zasnova izhodnega filtra in izbira pasivnih komponent. Oblika filtra za obremenitve 6 ali 8 Ω je prikazana v aplikacijskem vezju na sliki 5. Tipično avdio aplikacijsko vezje (dvojni BTL) in za obremenitve 3 ali 4 Ω na sliki 6. Tipična konfiguracija Mono-BTL (PBTL) je prikazana na sliki 7. Tipična konfiguracija štirih polovičnih mostov (Quad Single Ended).
Slika 5. Tipično avdio aplikacijsko vezje (dvojni BTL) prikazuje stereo-BTL konfiguracijo, ki lahko zagotovi 210 W na kanal pri 6 Ω obremenitvi pri 10 % THD z VCC = 52 V. Ta rezultat je bil dosežen z uporabo razvojne plošče STA309A+STA516B.
Slika 6. Tipična konfiguracija Mono-BTL (PBTL) spodaj prikazuje konfiguracijo z enim BTL, ki lahko zagotovi 400 W pri bremenu 3 Ω in pri 10 % THD z VCC = 52 V. STA516BE lahko v konfiguraciji z enim BTL poganja tudi 2 Ω zvočnike in zagotavlja do 280 W na kanal pri 10 % THD z VCC = 37 V.
Slika 7 je tipična konfiguracija štirih polmostov (Quad Single Ended) prikazuje konfiguracijo quad-SE, ki lahko zagotovi 110 W pri bremenu 3 Ω in pri 10 % THD z VCC = 54 V. STA516BE lahko poganja tudi 2 Ω zvočnike v konfiguraciji quad-SE, da zagotovi do 80 W na kanal pri 10 % THD z VCC = 38 V.
Vsi rezultati so bili pridobljeni z uporabo razvojne plošče STA309A+STA516B. Upoštevajte, da je za napajanje STA516B potreben PWM modulator kot gonilnik.
Več informacij o tem zanimivem čipu najdete na: https://www.st.com
Vse slike in sheme https://www.st.com
Povzeto po:
https://www.st.com/en/audio-ics/sta516be.html#overview
